關於我們
作品案例
老舊公寓電梯增建
最新消息
常見問題
影片專欄
聯絡我們
作品案例
首頁
作品案例
都市更新整建維護
結構補強
ALL
公共工程
都市更新重建
都市更新整建維護
危老重建
變更使用執照
室內裝修送審
室內設計
無障礙替改/公安申報
其他
外牆拉皮
公寓增建電梯
結構補強
ALL
公共工程
都市更新重建
都市更新整建維護
危老重建
變更使用執照
室內裝修送審
室內設計
無障礙替改/公安申報
其他
外牆拉皮
公寓增建電梯
結構補強
資料建置中
都市更新整建維護
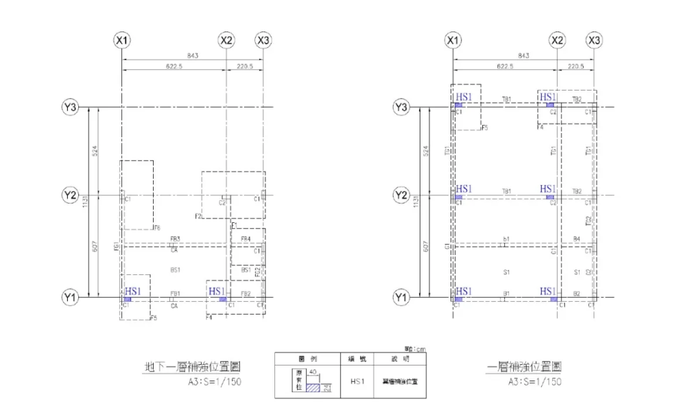
結構補強
新生南路自宅(A)
結構補強A方案
大安區
台北市
結構補強
都市更新整建維護
結構補強
新生南路自宅(B)
結構補強B方案
大安區
台北市
結構補強
取消
確定