關於我們
作品案例
老舊公寓電梯增建
最新消息
常見問題
影片專欄
聯絡我們
首頁
作品案例
都市更新整建維護
結構補強
新生南路自宅(A)
都市更新整建維護
結構補強
大安區
台北市
結構補強
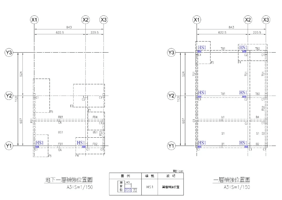
新生南路自宅(A)
結構補強A方案
share
詳細介紹
Detailed Introduction
Back To List
Recommend
其他人也正在瀏覽專案
都市更新整建維護
結構補強
新生南路自宅(B)
結構補強B方案
大安區
台北市
結構補強
都市更新整建維護
結構補強
新生南路自宅(A)
結構補強A方案
大安區
台北市
結構補強
取消
確定